
内蒙古科技大学建设工程管理办法
(2025年9月修订)
第一章 总 则
第一条为进一步加强和规范学校建设工程的管理工作,根据《中华人民共和国建筑法》《中华人民共和国政府采购法》《中华人民共和国招标投标法》和《中华人民共和国建设工程质量管理条例》等法律法规,结合学校内部控制制度,特制定本办法。
第二条学校建设工程是指新建、改扩建和修缮等工程项目,实行全过程管理,包括工程项目的规划、立项、招标、合同签订与履行(含变更与签证)、竣工验收、竣工结算、保修、档案管理等环节以及可研、工程勘察、设计、监理、施工、造价咨询管理等工作。
第三条坚持依法依规管理,严格执行学校“三重一大”议事决策制度。建设工程项目纳入基本建设规划和年度建设工程项目库,严格按计划实施建设工程项目,实现工程项目建设目标。
第二章 管理机构、职责及工作机制
第四条学校党委会、校长办公会是学校建设工程重大事项和重要管理制度的决策机构。根据学校“三重一大”制度规定和党委会、校长办公会议事规则,对校园基本建设规划、建设工程项目计划、投资计划、建设工程项目的建设方案、建设标准、投资估算、初步设计方案和设计概算、重大使用功能和建设标准变更、重大工程变更签证等进行决策。
第五条学校成立建设工程工作领导小组,领导小组由校长任组长,分管基本建设、财务、国有资产管理等工作的校领导任副组长,后勤与基本建设处、党政办公室、保卫工作部(保卫处)、发展规划处、计财处、审计处、国有资产管理处、信息化建设与网络管理中心、采购与招标中心等部门主要负责人为成员,领导小组下设办公室,设在后勤与基本建设处,负责建设工程工作领导小组日常工作。
第六条学校建设工程工作领导小组主要负责研究学校建设工程项目计划、设计方案、投资概算、招标工作及实施过程中的重大事项等,并将决定议定事项提交党委会或校长办公会审议。
第七条后勤与基本建设处对学校所有建设工程项目归口管理,代表学校负责组织实施,主要职责是:
(一)负责校园基本建设规划的编制、调整和执行等工作。
(二)负责建设工程项目的可行性论证,按照公开招标程序进行投资估算及可研报告的编制,完成立项工作。
(三)负责做好建设工程项目的初步设计、施工图设计、工程投资控制等工作。
(四)参与招标文件审核,负责组织招标采购合同的起草、审核等工作。
(五)负责做好建设工程项目规划许可证、施工许可证、图纸审查和技术交底等工作。
(六)负责建设工程项目的各类建筑材料及设备的调研、造价管理、工程进度审核、资金拨付审核、工程变更审核和报批、结算报审等施工管理工作。
(七)负责建设工程项目的竣工验收、工程移交和保修期内的维修工作。
(八)负责建设工程项目档案管理工作。
(九)协助计财处完成竣工财务决算工作。
第八条计财处主要职责:筹集和管理建设工程项目资金;建立和完善建设工程财务制度;审核支付工程款,报告项目资金使用情况;进行建设工程项目财务决算,核算编制建设工程项目财务报表和固定资产账务处理等。
第九条国有资产管理处主要职责:负责建设工程项目土地手续办理,竣工验收后组织资产交付,办理固定资产建账及项目产权证书。
第十条采购与招标中心主要职责:负责组织实施采购与招标工作,包括可研单位、设计、监理、审计、施工、空气环境检测、地勘以及与工程建设有关的重要设备、材料等;负责招标采购合同签订、参与招标采购合同审核等有关工作。
第十一条审计处主要职责:依法依规对建设工程项目进行工程审计,履行监督评价建议职能,督促改善管理绩效。
第十二条党政办公室主要职责:安排建设工程重要事项和重大问题提交党委会或校长办公会研究,推进落实议定事项。负责建设工程项目档案管理工作。
第十三条发展规划处主要职责:结合学校发展规划和实际情况,协助开展校园基本建设规划的编报和建设工程项目的论证,协调组织开展建设工程项目评价等工作。
第十四条保卫工作部(保卫处)主要职责:参与建设工程项目中消防、安防系统和交通管理需求论证,参与工程验收,提出校园安全管理要求,对施工期间的安全管理工作进行监督检查。
第十五条信息化建设与网络管理中心主要职责:参与建设工程项目中信息化和智能化系统建设论证和需求调研,提出信息化和智能化建设需求,参与工程验收,对相关信息化系统和设备进行检查确认;对工程建设和运行中涉及的网络安全、数据安全提出防范意见,保障新建设工程在理念、功能、设备等方面与学校信息化建设和智慧校园建设相匹配。
第十六条其他单位和部门按职责分工和工作需要,配合参与建设工程项目管理工作。
第三章建设工程分类
第十七条学校建设工程分为基本建设工程和修缮工程两大类。基本建设工程是指新建、改扩建等工程项目。修缮工程指的是对全校各单位各种经费来源的公共建筑及公共设施进行的维护、保养、维修、抢修、更换和改造。
第十八条修缮工程分为零星维修工程、一般维修工程、应急抢修工程和立项维修工程。
(一)零星维修工程是指维修门、窗、锁、水龙头、灯泡、吊顶、瓷砖、床、桌椅和房屋粉刷等单项工程总预算费用在3万元人民币(不含)以下的维修工程项目。
(二)一般维修工程是指单项工程总预算费用在3万元人民币(含)以上,30万元人民币(不含)以下的维修工程项目。
(三)应急抢修工程是指对学校正常工作、教学、学生生活等秩序有较大影响或危害的必须立即采取措施的维修工程项目。主要包括以下范围:
1.涉及水、电、气、暖、网络和信息化等设备设施突发损坏直接影响师生员工正常工作生活或直接影响今后使用的必须立即抢修的工程项目;
2.涉及房屋和行人安全的土建类、环境类、能源类等维修工程项目;
3.因洪涝风雪等自然灾害急需抢险救灾的工程项目;
4.涉及校园安全防范的安防、消防等设备设施维保范围外的抢修项目;
5.由上级工作安排或学校党委会、校长办公会决定急需维修的工程项目;
(四)立项维修工程是指单项工程总预算费用在30万元人民币(含)以上的维修工程项目。
第四章 立项管理
第十九条根据校园基本建设规划,结合学校实际,每年编制一次建设工程项目计划,经学校党委会审定后实施。未列入建设工程项目计划的项目原则上不进行立项建设。
第二十条学校基本建设工程项目计划应进行中期评估,根据中期评估情况做出相应调整。调整后的基本建设工程项目计划需经学校党委会再次审议通过后实施。
第二十一条基本建设工程项目由后勤与基本建设处牵头提出立项申请。申请内容包括:建设工程项目的规模、必要性、建设方案、功能定位、建设标准、拟建地点、资金来源、投资估算及建设后的效益等。项目立项须经征求师生意见(问卷调查、专题座谈会等形式)、专家论证等前期论证程序后,报请建设工程工作领导小组研究。
第二十二条建设工程工作领导小组组织召开小组会议讨论研究,在领导小组会议议定同意的基础上,按照项目投资规模提交党委会或校长办公会研究确定是否同意立项建设,党委会或校长办公会研究确定的建设工程项目,后勤与基本建设处按照上级主管部门受理程序完善资料,按程序报请审批。学校基本建设工程项目采取代建、项目管理和自行组织的方式进行。
第二十三条按照谁管理使用、谁检查报修的原则,各单位管辖区域的修缮工程由本单位负责检查报后勤与基本建设处维修,其余区域和学校公共设施由后勤与基本建设处负责检查维修。零星维修工程和应急抢修工程可通过电话或报修平台报修;一般维修工程和立项维修工程须通过办公网络系统或书面报修,同时填写《内蒙古科技大学修缮工程申报表》(附件1)。特殊专业类由各部门负责检查、维修、实施:宣传展览类维修、新建工作由宣传部负责;网络、信息化类设备设施维修工作由信息化建设与网络管理中心负责;安防、消防类设备设施维修工作由保卫工作部(保卫处)负责;体育类设备设施维修工作由体育教学部(体育学院)负责。
第二十四条零星维修工程、一般维修工程和应急抢修工程不需进行立项,零星维修工程由后勤与基本建设处负责人审批后实施;应急抢修工程由分管校领导审批后实施;一般维修工程经分管校领导审批、采购与招标中心批复后由后勤与基本建设处组织招标采购和实施。
第二十五条零星维修工程和应急抢修工程采取成本加利润酬金的方式计算,即成本另加管理费、利润和税金的方式执行。人工费和材料费价格以工程实施时的市场价为准。管理费和利润为24.5%(计算基数为人工费),税金按照税务标准执行。
第五章 资金管理
第二十六条建设工程项目的建设资金管理由计财处牵头负责。建设资金管理要贯彻执行国家有关法律法规,依法、依规合理使用建设资金。计财处和后勤与基本建设处要做好建设工程项目资金的预算编制、执行、控制、监督和审核工作,严格控制建设成本,减少资金损失和浪费,提高资金使用效益。
第二十七条建设工程项目立项后,按投资估算控制工程概算原则,开展初步设计并编制工程概算,初步设计及工程概算需报政府主管部门审批。后勤与基本建设处严格按批复开展施工图设计和工程造价,工程项目实行编制工程量清单和工程招标控制价制度,工程量清单和工程招标控制价务求详实、准确,尽量减少未计价、暂估价等内容,工程造价不得超过概算。后勤与基本建设处须加强施工过程的投资管理,按照政府投资条例,确需调整工程概算的,由后勤与基本建设处报批学校同意,按政府相关部门要求进行调整。
第二十八条建设工程项目资金由学校计财处统一管理和使用,专项管理,专款专用。计财处负责组织建立和完善资金筹措机制,做好资金筹划与使用进度安排。后勤与基本建设处应提前做好建设工程项目论证和资金预算,做好项目的实施及进度款支付报送审批工作,审查工程进度款的准确性和合理性。对于施工单位依据合同和工程进度经监理单位审核报送的进度支付申请,由后勤与基本建设处按学校内控制度要求报批,计财处按规定付款。
第二十九条严格按照合同条款支付工程款或预付款,不得突破或降低合同约定支付比例支付工程款。凡未签订合同或不具备开工条件的工程,一律不得支付或预付工程款。建设工程项目在竣工验收合格前,工程款支付比例(包括预付款)原则上不得超过合同价的80%。
第三十条建设工程项目资金支付审核和报批工作,由后勤与基本建设处负责办理,具体提供以下资料:
(一)内蒙古科技大学建设工程项目资金支付审批表(附件2);
(二)施工单位开具的发票,发票所提供的收款信息须与施工合同、中标通知书一致,如有不一致的情况,施工单位必须提供相关证明材料;
(三)支付基本建设工程项目进度款须提供跟踪审计报告;
(四)如建设工程项目已完工,须提供有关部门的验收报告、竣工结算审计报告。
(五)零星维修工程、应急抢修工程由使用单位和后勤与基本建设处共同负责验收,持《内蒙古科技大学修缮工程竣工验收单》(附件3)、审批文件、零星维修工程和应急抢修工程服务合同、结算审核文件及发票进行结算付款。
第三十一条建设工程项目资金支付审批执行以下权限:
(一)3万元(不含)以下的建设工程项目支出由后勤与基本建设处处长审批支付。
(二)3万元(含)至100万元(不含)以下的项目支出由后勤与基本建设处主要负责人、计财处主要负责人、分管财务工作的副校长、分管后勤与基本建设工作的副校长审批支付。
(三)100万元(含)以上的项目支出由后勤与基本建设处主要负责人、计财处主要负责人、分管财务工作的副校长、分管基本建设工作的副校长、校长审批支付。
第三十二条工程竣工验收合格后,按规定程序进行工程结算审计。根据结算审计报告,后勤与基本建设处、施工单位、计财处三方确认工程款已支付金额。在完成项目竣工备案、移交技术资料、档案归档、拆除临时建筑、清运建筑垃圾后,方可办理工程尾款结算支付手续。
第三十三条工程质量保修金依据合同规定的期限及金额扣留。缺陷责任期满后,经使用单位核准保修内容全部完成后,由施工单位申请办理工程最终结算手续。若施工单位维修不及时或难以组织施工的,后勤与基本建设处有权另派他人维修,费用直接从工程质量保修金中扣除。
第三十四条计财处负责进行建设工程项目竣工财务决算,在项目竣工验收3个月内,完成竣工财务决算编报工作。特殊情况确需延长的,不得超过6个月。
第六章 设计管理
第三十五条建设工程项目立项后,由后勤与基本建设处组织项目的设计工作,包括:初步设计、施工图设计等,设计方案需经过建设工程工作领导小组研究通过后提交党委会审定。设计单位通过公开招投标方式确定。
第三十六条设计工作要贯彻“实用、经济、绿色、美观”理念,按照国家设计规范和建设标准,积极推广应用先进设计方法,在满足建筑物功能要求的同时,注重节约投资、节约资源。
第三十七条后勤与基本建设处负责组织使用单位、资产管理部门和设计单位等相关部门,对建设工程项目的功能需求进行论证,根据批准的立项文件或项目建议书、可研报告中有关建设要求和标准,结合相关部门提供的参数,起草编制《设计任务书》。《设计任务书》编制完成后需经过建设工程工作领导小组研究校核、审定后以学校公文形式送达设计单位。
第三十八条设计单位根据《设计任务书》和设计规范,按照合同约定完成设计工作,提供完整的施工图设计文件和各专业的BIM模型及碰撞检测报告。后勤与基本建设处组织有关方面的专家会同设计单位对施工图设计文件进行审查、论证、修改和完善,保证施工图设计的质量和设计内容全面、完整、准确,达到相应的设计深度,形成设计文件审查成果文件,从源头上控制工程设计变更。
第三十九条需按规定进行设计文件审查的项目,由后勤与基本建设处将地质勘察报告和施工图设计文件上报进行审查,办理审查合格证。施工图设计文件未经审查批准的基本建设工程,不得施工。审查合格的施工图设计文件不得擅自改变,如确需修改,应严格按照程序要求进行修改,如有重大修改,应按规定重新上报审查。
第四十条在建设工程项目的各个环节中,应做好以设计阶段为重点的投资控制工作,投资额和建设规模一经确定,设计应在确定的投资额和建设规模内进行。
第七章 招标与采购管理
第四十一条建设工程项目依法实行招标制度。项目建议书、环评、稳评、可研报告、勘察、沉降观测、水土保持、设计、造价、施工、监理、防雷检测、设备和材料的采购、空气质量检测、消防检测、测量以及工程审计等工作均须坚持公开、公平、公正原则依法进行招标。招标范围和标准必须按照国家法律法规和学校内部控制制度执行。项目建议书的编制在工程立项前完成招标采购。
第四十二条修缮工程造价咨询(含工程结算审核)单位、工程监理单位、零星维修单位和应急抢修单位根据修缮工程特点按整年度以购买服务方式经公开招标采购引进。
第四十三条建设工程项目招标工作由采购与招标中心负责依法组织实施,后勤与基本建设处提供采购招标所需技术指标、评审标准、项目要求等有关基础性资料。
第四十四条依法必须招标的建设工程项目应严格按照国务院批准的《必须招标的工程项目规定》和学校内部控制制度执行。特殊项目的招标方式、组织形式需报建设工程工作领导小组审批并严格按照决议执行,必要时提交校长办公会或党委会审定。
第四十五条建设工程项目招标活动接受学校纪检监察室和审计处等部门的监督。
第八章 合同管理
第四十六条后勤与基本建设处负责组织基本建设工程项目的勘察、设计、工程造价咨询、技术服务、施工、监理等招标采购合同的起草、审核和实施,采购与招标中心负责招标采购合同签订。
第四十七条后勤与基本建设处负责组织修缮工程项目的设计、造价咨询(含工程结算审核)、工程监理、施工等招标采购合同的起草、审核和实施,采购与招标中心负责招标采购合同签订。自采项目由后勤与基本建设处负责招标采购合同签订。
第四十八条建设工程项目合同签订应遵守以下原则:
(一)遵守国家法律法规,遵守上级部门批准的建设计划和其他计划(如投资计划),合同的内容应当完整、准确、严谨、合法,依法保护学校利益。
(二)遵守平等、自愿、公平、诚信原则,内容应当完整、准确、严谨、合法。招标文件、投标文件、答疑和澄清纪要及承诺为合同不可分割的附件,与合同具有同等的法律效力。
(三)经招标的建设工程项目,中标价即为合同价。在工程招标时不得强迫承包方以低于成本价竞标,不得压缩合理工期,不得违反工程建设强制性标准,降低工程质量。
(四)执行学校内控制度,合同签订时应严格按照合同签署的审批流程使用国标制式合同。
第四十九条合同签订后即具有法律效力,不得擅自更改。建设工程项目的勘察、设计、施工和工程监理合同应包括明确的价款支付方式、工程变更、结算方式、违约处罚等内容。如遇特殊情况确需更改合同中部分条款的,由后勤与基建处拟订补充合同草稿,按相关程序报批后签订。
第五十条后勤与基本建设处负责建设工程项目实施期间的合同管理与资料管理工作。项目竣工后,合同及需要存档的资料,应按照档案管理的相关规定及时交由档案馆归档管理。
第九章 监理管理
第五十一条建设工程项目实行工程监理制。工程监理应依据法律法规及有关技术规范和标准,按设计文件和工程施工承包合同,对工程的施工质量、施工安全、建设工期和工程投资等进行全面监管、严格控制。
第五十二条未经总监理工程师签字,建筑材料、建筑构配件和设备等不得在建设工程项目上使用或安装,施工单位不得进行下一道工序的施工。未经总监理工程师签字,建设单位不拨付工程款,不进行竣工验收。
第五十三条后勤与基本建设处依据与监理单位签订的合同对其工作进行监督检查,如监理人员或监理单位不能履行合同规定职责,应按相关规定及时更换监理人员或终止合同。
第十章 开工准备
第五十四条后勤与基本建设处负责做好开工前各项准备工作:
(一)按照规定进行项目报建,办理工程质量监督、安全监督手续及施工许可证等,缴纳项目配套费和农民工工资保障金,督促施工单位缴纳农民工工伤保险等费用,做到项目施工合理合法、手续齐全。无施工许可证的基本建设工程项目不得进行开工建设。
(二)组织相关部门、单位认真做好施工现场通水、通电、通气和道路、通信畅通、场地平整等工作。
(三)组织监理单位、施工单位、设计单位、使用单位和相关专家,认真做好施工图纸会审、技术交底、工程量核对等工作,明确质量、工期要求及工程错漏项。
第五十五条建设工程项目必须自领取施工许可证之日起三个月内开工,因故不能按期开工的,后勤与基本建设处应向发证机关申请延期。在建的建设工程项目因故中止施工的,应当自中止之日起一个月内向发证机关报告,按照相关规定做好在建工程项目的维护管理工作。恢复施工时,也应向发证机关报告。中止施工满一年的工程恢复施工前应当报发证机关核验施工许可证。
第十一章 施工管理
第五十六条后勤与基本建设处负责建设工程项目的施工管理,对工程施工期间的安全、质量、投资和施工进度进行全过程控制,保证施工安全、工程质量和进度,合理有效地控制工程投资。
第五十七条基本建设工程项目实行项目负责人制。项目负责人经学校法定代表人授权后,代表学校向建设行政主管部门签订五方责任承诺书,代表学校对相应项目实施全过程管理。建设工程项目由后勤与基本建设处选派具备相应的业务素质、组织协调能力和项目管理经验的人员,派驻施工现场担任甲方代表。甲方代表严格按照合同约定组织协调参建单位的协作事项,督促检查监理、施工等单位的工作,全面掌握工程建设进展情况,定期向后勤与基本建设处汇报工程建设情况。后勤与基本建设处定期进行现场检查,对建设工程项目的质量、进度、工程造价、安全文明施工及监理等实行全过程监管。
第五十八条认真做好安全文明施工管理:
(一)后勤与基本建设处监督参建各方建立健全安全责任体系,明确相关责任,确保施工期间校园安全。
(二)施工单位应制定安全文明施工目标管理工作计划和实施方案,在施工组织设计中编制安全文明施工措施,施工达到包头市安全文明工地的相关要求。
(三)监理单位应监督检查施工单位安全文明施工措施实施情况,监督指导现场安全文明整改工作。
第五十九条严格做好工程材料的质量管控:
(一)施工单位严格按照工程设计、施工技术标准和合同约定,对建筑材料、建筑构配件、商品混凝土等提供样品,同时提供产品出厂质量检测报告。
(二)后勤与基本建设处组织监理单位、使用单位和相关专家对施工单位提供的材料样品进行现场检验、论证,初步选定后报建设工程工作领导小组批准后实施,必要时提交校长办公会或党委会研究确定。
(三)工程材料进场后,后勤与基本建设处代表学校委托专业检测机构会同施工单位和监理单位对工程材料进行现场抽检,出具合格的质量检测报告。检测不合格的工程材料施工单位无条件立即全部退场更换,对已经施工的部分进行无条件彻底拆除更换,同时对中标企业进行违约责任处理。
(四)甲方代表和监理单位负责严格按照工程设计、施工技术标准和合同约定,对工程施工材料进行全过程动态监督检查,发现问题及时上报后勤与基本建设处进行处理。
第六十条合理控制建设工程项目施工工期。工程施工进度管理必须在保证安全文明生产和工程质量的前提下进行。工程施工进度管理由施工方具体负责实施,甲方代表和监理单位负责监督,确保工程施工进度按计划组织实施。
第六十一条加强全过程工程投资控制。后勤与基本建设处在合同规定范围内,对建设工程项目实施过程中的工程变更及签证按程序进行确认。
第六十二条强化施工过程管理制度。健全完善现场过程管理的具体管理制度和实施办法,项目负责人及甲方代表应视工程管理具体需要,会同监理单位定期召开工程例会,核对例会纪要内容的真实性和完整性,及时协调和处理工程施工中设计图纸、建筑材料、隐蔽工程、技术规范、安全生产、项目经理等方面出现的问题。
第六十三条落实工程质量终身责任制。依据《建筑工程五方责任主体项目负责人质量终身责任追究暂行办法》规定,明确建设单位项目负责人、勘察单位项目负责人、设计单位项目负责人、施工单位项目经理、监理单位总监理工程师为各自承担工程任务的工程质量负责人,对各自承担工程任务的工程质量实行全过程动态管控,在工程设计使用年限内对工程质量承担相应责任。建立健全校内工程质量责任制,完善项目决策、招标采购、工程实施、竣工验收等全过程责任追究体系,工程管理参与各方对负责工作承担相应责任。
第十二章 工程变更和签证管理
第六十四条强化工程变更和签证管理是实现工程质量、投资和进度控制目标的重要环节。工程变更和签证的管理工作由后勤与基本建设处牵头负责。所有工程变更及签证原则上应在合同金额内进行。特殊情况下,按规定经批准超合同金额的变更及签证的总造价不得超过合同金额的10%。
第六十五条工程变更是对施工图设计内容的调整。建设工程项目在工程开工前应充分做好施工图纸审核和技术交底工作,从源头上控制工程变更。施工图设计及投资限额一旦确定不得擅自变更,确需变更和增项的部分,必须按规定程序审批后执行。
第六十六条工程签证是基于施工图设计变更以外的施工事项的记录和核定,是工程结算的依据。工程签证必须坚持实事求是的原则,以保证工程签证的真实性、准确性、科学性、合理性、时效性。根据合同约定,需认价的未计价、暂估价等内容,由后勤与基本建设处委托造价咨询单位进行招标控制价认定后,按公开招投标方式组织实施。
第六十七条变更、签证应坚持以下原则:
(一)谨慎性原则。开工前必须组织设计、监理、跟踪审计及施工单位等进行施工图纸技术交底及会审,尽量减少施工过程中的工程变更与签证。变更应有利于结构优化和使用功能的改善,方便施工,造价合理,保证施工质量、工期和安全;
(二)真实性原则。工程所有的变更与签证必须有原始文字记载,并有充足的证据反映其申请、论证、审批、实施的全过程。同一分项工程的工程变更须按一个变更申请批准,不得分割项目增加变更次数;
(三)及时性原则。施工过程中发生的工程变更与签证,应与工程进度同步,一般不得后补。工程变更或签证申请提出后,相关单位原则上在14日内办理完成,如遇特殊情况应得到后勤与基本建设处书面批准后先行施工,但须在14日内补办相关手续,否则该工程变更视为无效;
(四)会签原则。工程变更应执行建设方、设计方、监理方、施工方、工程造价咨询方“五方”会签制度。若不涉及施工图设计变更,签证由建设方、监理方、施工方、工程造价咨询方“四方”会签。隐蔽工程和拆除工程项目签证时,须几方共同实地测量,在测量的原始记录上签字。未经审批同意的工程变更,不能作为施工单位办理竣工结算的依据。
第六十八条工程变更及签证实行逐级报备审批制度。变更及签证申请提出并经监理单位同意、工程现场管理组初审、工程造价咨询单位审定后,按学校规定流程审批并签署意见后实施:
(一)涉及增减费用单次单项金额小于3万元(不含)的变更和签证,由后勤与基本建设处集体研究审批后执行。工程变更的单项是指施工预算定额子目或工程量清单的清单项,以下同。
(二)涉及增减费用单次单项金额大于3万元(含)小于20万元(不含)的变更和签证,由分管后勤与基本建设处的校领导审批后执行;
(三)涉及增减费用单次单项金额大于20万元(含)小于200万元(不含)的变更和签证,由校长办公会审批后执行;
(四)涉及增减费用单次单项金额大于200万元(含)的变更和签证,由校党委会审批后执行;
(五)冬季施工、专项排水降水方案等对工程造价有重大影响的变更、签证,需报校长办公会或党委会批准后实施。
第六十九条一般符合下列情况之一者,可提出工程变更:
(一)设计单位对施工图的自我完善和补充;
(二)由建设单位提出的改变项目功能、调整工期,或者材料市场价格发生较大变化而更换材料的;
(三)施工单位发现实际地质情况与地勘报告不符,现场地形与受施工技术限制影响施工方案实施的;
(四)工程监理单位或施工单位认为设计合理性存在问题或施工过程中遇到特殊情况的。
第七十条严格工程变更程序。工程变更应事先填写《工程变更申请单》(附件4),经后勤与基本建设处批准后通知设计单位和工程造价咨询单位,设计单位据此做出设计变更图纸或通知,工程造价咨询单位依据设计单位做出的设计变更图纸或通知做出工程造价变更,后勤与基本建设处按照逐级上报审批流程批准后将《工程变更通知单》(附件5)送达给工程监理单位和施工单位。
第七十一条明确工程变更的形式与内容。工程变更需由相关单位填写《工程变更申请单》(附件4)。《工程变更申请单》一式五份,设计单位、造价咨询单位、施工单位、工程监理单位、后勤与基本建设处各存一份。内容包括工程变更申请、工程变更原因、工程变更方案、变更的工程造价、返工的经济损失和对工期的影响、工程监理单位和建设项目主管部门的审核意见等。
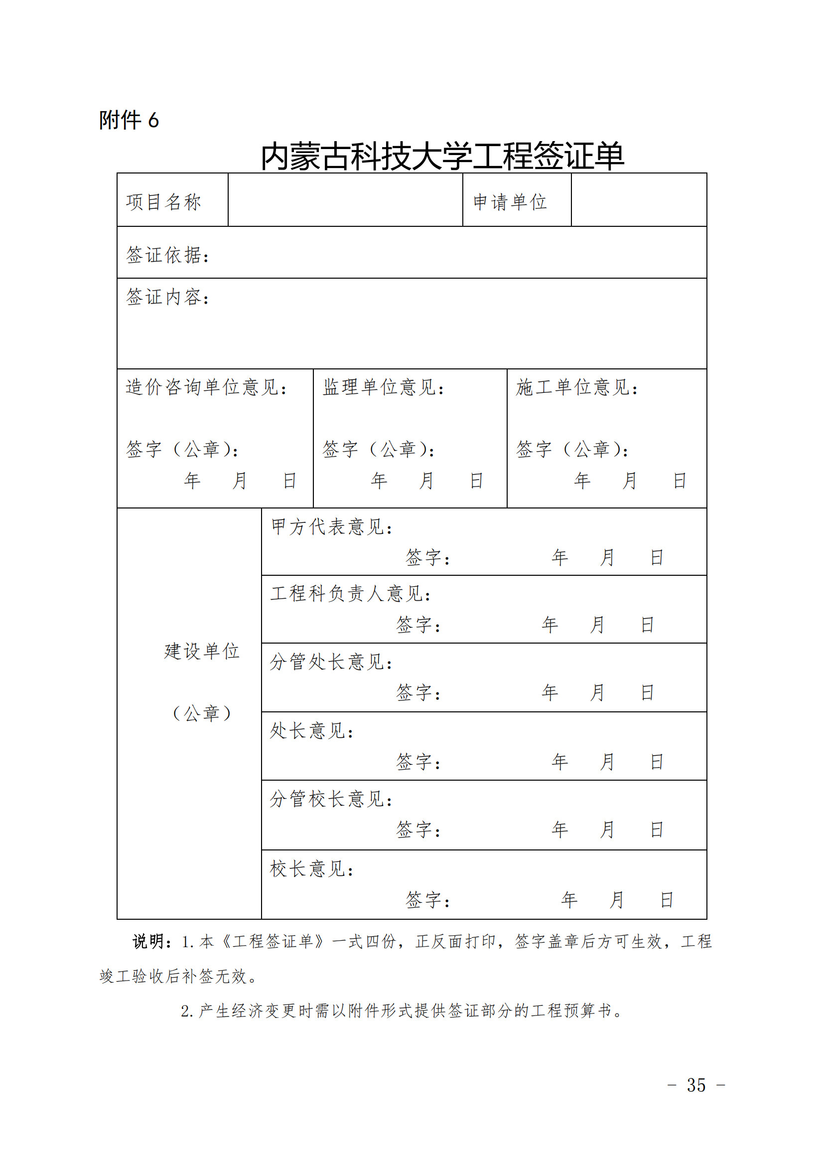
第七十二条明确工程签证的形式与内容。施工过程中发生的各种签证应及时填写《工程签证单》(附件6)。《工程签证单》一式四份,施工单位、工程监理单位、造价咨询单位、后勤与基本建设处各存一份。内容包括签证的原因、位置、尺寸、数量、材料、人工、机械台班、返工的经济损失和对工期的影响、工程监理单位和建设项目主管部门的审核意见等。需附图及影像资料说明的必须要有附图及影像资料,做到表达明确、字迹清晰、书写规范、签证原因充足、签证工程量准确、计量单位与清单相符。
第十三章 竣工验收及备案管理
第七十三条基本建设工程项目竣工验收工作由后勤与基本建设处牵头组织实施。基本建设工程项目按设计要求完成施工后,由施工单位按照《内蒙古自治区房屋建筑工程和市政基础设施工程竣工验收及竣工验收备案管理规定》整理各类技术资料,向学校后勤与基本建设处提交竣工申请,申请进行工程竣工验收。后勤与基本建设处按规定程序和要求,及时组织相关部门进行竣工验收。
第七十四条基本建设工程项目竣工验收应当具备下列条件:
(一)完成建设工程设计和合同约定的各项内容;
(二)施工单位在工程完工后对工程质量进行检查,确认工程质量符合有关法律法规和工程建设强制性标准,符合设计文件及合同要求,提出工程竣工报告,并经项目经理和施工单位有关负责人审核签字;
(三)监理单位对工程进行质量评估,具有完整的监理资料,提出工程质量评估报告,并经总监理工程师和监理单位有关负责人审核签字;
(四)勘察、设计单位对勘察、设计文件及施工过程中由设计单位签署的设计变更通知书进行检查,提出质量检查报告,并经项目勘察、设计负责人和勘察、设计单位有关负责人审核签字;
(五)有完整的技术档案和施工管理资料;
(六)有工程使用的主要建筑材料、建筑构配件和设备的进场试验报告,以及工程质量检测和功能性试验资料;
(七)学校已按合同约定支付工程款资料;
(八)有施工单位签署的工程质量保修书;
(九)建设主管部门及工程质量监督机构责令整改的问题全部整改完毕;
(十)法律法规规定的其他条件。
第七十五条基本建设工程项目验收的内容严格按国家相关法律法规的规定和合同条款进行。验收过程中必须认真做好记录,对工程勘察、设计、施工、设备安装质量和各管理环节等方面做出全面评价,形成经验收组人员签署的工程竣工验收意见。参与工程竣工验收的建设、勘察、设计、施工、监理等各方不能形成一致意见时,应当协商提出解决的办法,待意见一致后,重新组织工程竣工验收。未经验收或验收不合格的建设工程项目一律不得移交使用,不得进入结算审计程序。
第七十六条基本建设工程项目竣工验收合格之日起15日内,后勤与基本建设处按照《内蒙古自治区房屋建筑工程和市政基础设施工程竣工验收及竣工验收备案管理规定》向工程所在地建设行政主管部门(备案机关)备案,准予备案后,方可交付使用。
第七十七条建设单位办理基本建设工程竣工验收备案应当提交下列文件:
(一)建设工程竣工验收备案表;
(二)建设工程竣工验收报告;
(三)法律、行政法规规定应当由规划、环保、城建档案等部门出具的认可文件或者准许使用文件;
(四)法律、行政法规规定应当由住建部门出具的对大型的人员密集场所和其他特殊建设工程验收合格的证明文件;
(五)施工单位签署的工程质量保修书;
(六)法律法规规定必须提供的其他文件。
第七十八条基本建设工程项目竣工验收合格并完成工程竣工验收备案后,由后勤与基本建设处移交国有资产管理处。
第七十九条修缮工程竣工验收由后勤与基本建设处组织使用单位、监理单位、施工单位等按照设计方案和施工合同共同进行验收,填写《内蒙古科技大学修缮工程竣工验收记录表》(附件7)和《内蒙古科技大学修缮工程竣工验收单》(附件3)。
第十四章 结算和审计
第八十条基本建设工程、立项维修工程执行审计后付款,计财处根据审计处出具的审计报告、后勤与基本建设处出具的工程款支付情况报告,按照合同约定及学校相关规定与施工单位结算工程款。
第八十一条基本建设工程、立项维修工程竣工验收合格后,施工单位须在21天内向监理单位提供完整的、符合要求的竣工结算资料。监理单位须在14天内完成审核,审核后的竣工结算资料由监理单位转交后勤与基本建设处进行复审。后勤与基本建设处须在14天内完成复审,并将资料整理齐全后,报送学校审计处进行工程结算审计。审计处在60个工作日内出具审计报告,将审计报告及时送达后勤与基本建设处,同时将完整的审计资料存档。审计处应当对利用外部专家服务结果所形成的审计结论负责。
第八十二条审计处结合年度建设工程项目计划和审计计划、审计资源及项目特点,对部分建设工程项目安排跟踪审计。审计处负责对跟踪审计人员的履职情况进行监督和检查。跟踪审计人员应常驻施工现场,全过程了解掌握工程量清单内容、工程变更内容、工程签证内容等工程信息。
第八十三条零星维修工程、应急抢修工程、一般维修工程不执行审计后付款,后勤与基本建设处委托专业造价咨询单位进行工程结算审核,计财处根据后勤与基本建设处出具的支出审批单、验收单、工程结算审核报告等材料,按照合同约定及学校相关规定与施工单位结算工程款。审计处可以对零星维修工程、应急抢修工程、一般维修工程进行抽查审计,自下达抽查审计立项通知书之日起,30个工作日内出具抽查审计报告。
第十五章 工程保修
第八十四条建设工程项目实行质量保修制度,由后勤与基本建设处牵头负责。在工程验收时,严格按《建设工程质量管理条例》的规定,要求施工单位出具质量保修书。质量保修书中须明确建设工程的保修范围、缺陷责任期限和保修责任等。建设工程的缺陷责任期限自办理竣工验收之日起开始计算,具体缺陷责任期限按国家和自治区有关部门的有关规定执行。国家和自治区有关部门没有规定的,由后勤与基本建设处和施工单位在保修合同或保修证书中约定。
第八十五条在正常使用条件下,建设工程项目的最低保修期限为:
(一)基础设施工程,房屋建筑的地基基础工程和主体结构工程为设计文件规定的该工程的设计使用年限;
(二)屋面防水工程、有防水要求的卫生间、房间的外墙防渗漏为5年;
(三)供热与供冷系统,为2个采暖期、供冷期;
(四)电气管线、给排水管道设备安装和装修工程为2年;
(五)其他项目的保修期限由后勤与基本建设处与施工单位约定。
第八十六条通过竣工验收的建设工程项目,在缺陷责任期内发生质量问题,由施工单位负责维修并对造成的损失承担赔偿责任。因勘察设计、施工、监理、建筑材料、设备、构配件的原因造成的工程质量问题,所需费用由责任方按有关规定承担。非保修范围或缺陷责任期满后的维修,由后勤与基本建设处负责。
第八十七条工程缺陷责任期内,如施工单位不及时履行保修义务,后勤与基本建设处应采取措施另行安排其他施工单位进行维修,费用直接从工程质量保修金中扣减。工程质量保修金不足扣减时,应依法追究原施工单位相应责任。
第八十八条因不可抗力因素和使用者使用不当造成的建设工程质量问题,不属于保修范围。
第十六章 档案管理
第八十九条建设工程项目在可行性研究、设计、管理、采购、施工、监理、审计和竣工验收等全过程中形成的文字、图表、声像等不同形式和不同载体的文件材料应全部归档。
第九十条建设工程项目竣工后,后勤与基本建设处需安排专人负责进行立卷归档,建立完整、准确的工程竣工档案,并原则上在六个月内向档案馆进行移交相关档案材料。档案馆负责指导、监督,完成档案专项验收。
第九十一条下列材料应归入工程档案:
(一)前期文件资料:包括计划、立项报告及批复文件,可行性研究报告及项目评估报告,规划许可证、施工许可证,建筑定位图,合同(勘探、设计、施工、监理等各种合同),工程地质勘探报告,其他文件材料;
(二)工程质量控制资料:包括开工报告,图纸及图纸会审,设计变更及签证,相关抽检报告,隐蔽工程验收记录等;
(三)竣工验收资料:包括竣工验收报告,规划、消防、环保、防雷验收意见,监理评估,综合验收表,竣工图等;
(四)招投标文件(含工程量清单、施工单位承诺函)、评标文件、中标通知书、工程结算书(含审计报告)等。
第十七章 监督与保障
第九十二条学校相关部门应当依照本办法和国家、内蒙古自治区和包头市相关规定,建立健全相关管理制度,加强对建设工程项目的决策、管理各个环节的监督管理。
第九十三条各级领导干部应当认真学习相关法律法规,并组织相关业务人员参加建设工程专业知识技能和业务流程培训,提高队伍的专业素质和管理水平,加强廉洁自律,注重廉政风险防范。严格遵守国家法律法规,不得干预和插手工程招标、工程分包等活动,不得违法向工程中标单位指定、推销建设材料及设备。
第九十四条学校纪检监察部门要加强对基本建设工作的监督检查。对违反本办法要求,造成不良后果的有关责任人,依纪依法予以处理。
第九十五条对于违反法律法规和合同约定造成较为严重的工程质量问题或重大经济损失的工程勘察、设计、监理、施工、跟踪审计等社会参建单位,取消其在学校承接工程的资格,并追究其相应法律责任。
第十八章 附则
第九十六条本办法自发布之日起实施,原有关规定与本办法不符的,以本办法为准。如遇上级有关政策调整,以上级政策为准。本办法未尽事宜,由后勤与基本建设处会同相关部门研究处理。
第九十七条本办法由后勤与基本建设处负责解释。
附件:1.内蒙古科技大学修缮工程申报表
2.内蒙古科技大学建设工程资金支付审批表
3.内蒙古科技大学修缮工程竣工验收单
4.工程变更申请单
5.工程变更通知单
6.内蒙古科技大学工程签证单
7.内蒙古科技大学建设工程竣工验收记录表






